氣動雙由令球閥
優點:
1) 執行器通過撞擊試驗、酸堿測試、材料符合SGS
2) 閥門開度可調節15度到90度
3) 執行器與閥門的連接符合EN ISO 5211標準
4)材料經過納米改性,提高產品耐壓性及抗沖擊性能
5) 原料添加抗紫外線吸收劑和抗氧劑,提高產品耐候性,耐老化性能
6) 出廠前100%性能測試
描述:
1) 材質:UPVC,CPVC,PPH,PVDF
2) 尺寸:1/2''-4'';20mm-110mm;DN15-DN100
3) 標準:ANSI,DIN,JIS
4) 連接:插口,螺紋(NPT,PT,BSPF),熔接,焊接
5) 工作壓力:150 PSI
6) 操作溫度:UPVC(5~55℃);CPVC&PPH(5~90℃);PVDF(-20~120℃)
7) 最小氣壓:45PSI;最大操作壓力:120PSI
8) 把手顏色:紅色,藍色,綠色,橙色
本體顏色:UPVC(深灰色),CPVC(淺灰色),PPH(米黃色),PVDF(象牙色)
1) 執行器通過撞擊試驗、酸堿測試、材料符合SGS
2) 閥門開度可調節15度到90度
3) 執行器與閥門的連接符合EN ISO 5211標準
4)材料經過納米改性,提高產品耐壓性及抗沖擊性能
5) 原料添加抗紫外線吸收劑和抗氧劑,提高產品耐候性,耐老化性能
6) 出廠前100%性能測試
描述:
1) 材質:UPVC,CPVC,PPH,PVDF
2) 尺寸:1/2''-4'';20mm-110mm;DN15-DN100
3) 標準:ANSI,DIN,JIS
4) 連接:插口,螺紋(NPT,PT,BSPF),熔接,焊接
5) 工作壓力:150 PSI
6) 操作溫度:UPVC(5~55℃);CPVC&PPH(5~90℃);PVDF(-20~120℃)
7) 最小氣壓:45PSI;最大操作壓力:120PSI
8) 把手顏色:紅色,藍色,綠色,橙色
本體顏色:UPVC(深灰色),CPVC(淺灰色),PPH(米黃色),PVDF(象牙色)
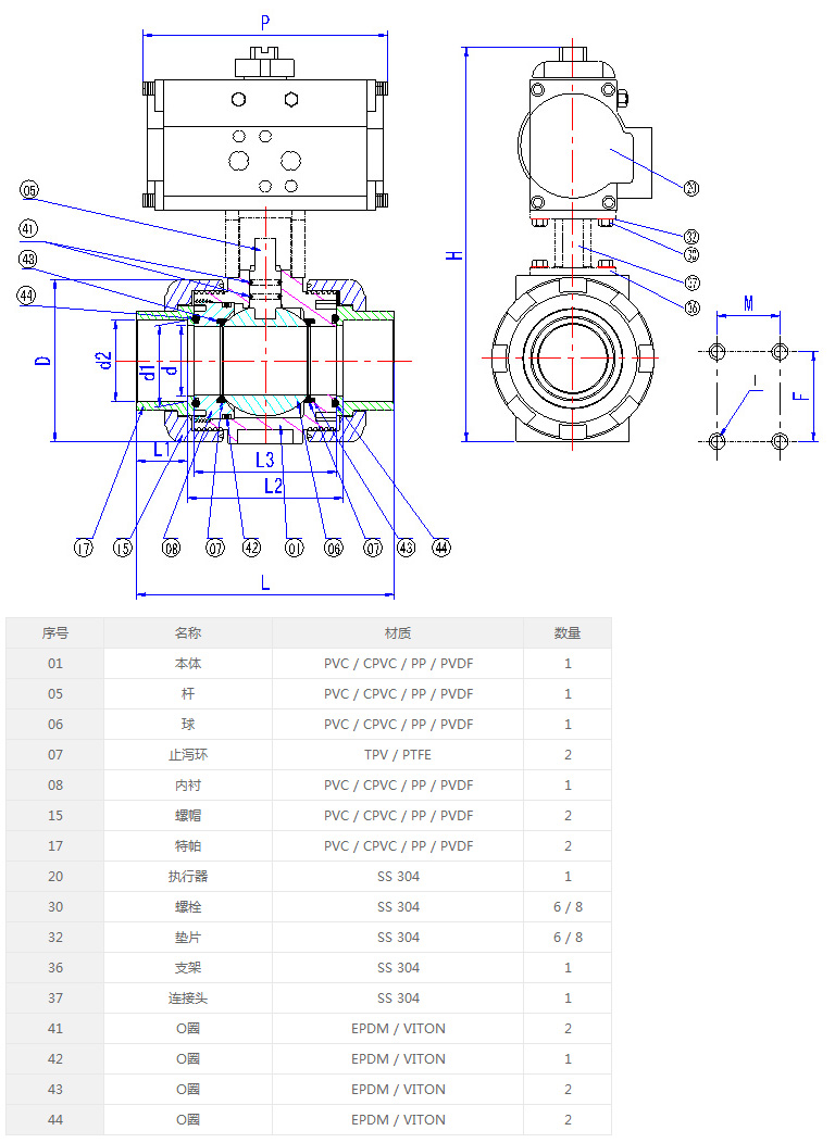
產品規格(單位: MM)

| 尺寸 | d? | d1 | d2 | D | L | L1 | L2 | L3 | P | H | F | M | I | ||||||||
| ANSI | DIN | JIS | CNS | ANSI | DIN | JIS | CNS | ANSI /JIS /CNS | DIN | ANSI /JIS /CNS | DIN | ||||||||||
| 1/2"(15)? | 15 | 21.54 | 20.30 | 22.40 | 22.40 | 21.23 | 20.10 | 21.73 | 21.90 | 54.00 | 104.80 | 92.00 | 22.30 | 16.00 | 60.00 | 52.00 | 155.00 | 176.50 | 31.00 | —— | M6 |
| 3/4"(20)? | 20 | 26.87 | 25.30 | 26.45 | 26.40 | 26.57 | 25.10 | 25.69 | 25.90 | 63.00 | 113.00 | 100.00 | 25.50 | 19.00 | 62.00 | 54.00 | 155.00 | 186.00 | 33.00 | —— | M6 |
| 1"(25)? | 25 | 33.65 | 32.30 | 32.55 | 34.50 | 33.27 | 32.10 | 31.70 | 33.90 | 73.50 | 127.20 | 114.00 | 28.60 | 22.00 | 70.00 | 62.00 | 155.00 | 196.00 | 40.00 | —— | M6 |
| 1?"(32)? | 32 | 42.42 | 40.30 | 38.60 | 42.50 | 42.04 | 40.10 | 37.65 | 41.90 | 84.50 | 142.00 | 130.00 | 32.00 | 26.00 | 78.00 | 70.00 | 168.00 | 235.00 | 52.00 | —— | M8 |
| 1?"(40)? | 40 | 48.56 | 50.30 | 48.70 | 48.60 | 48.11 | 50.10 | 47.74 | 47.90 | 98.00 | 157.00 | 151.00 | 35.00 | 32.00 | 87.50 | 79.50 | 168.00 | 249.00 | 52.00 | —— | M8 |
| 2"(50)? | 50 | 60.63 | 63.30 | 60.80 | 60.60 | 60.17 | 63.10 | 59.78 | 59.90 | 118.00 | 171.00 | 38.00 | 95.00 | 85.00 | 168.00 | 280.00 | 70.00 | —— | M8 | ||
| 2?"(65)? | 65 | 73.38 | 75.30 | 76.60 | 76.70 | 72.85 | 75.10 | 75.68 | 75.90 | 150.00 | 238.50 | 47.00 | 144.50 | 132.50 | 219.00 | 331.00 | 84.00 | 45.00 | M10 | ||
| 3"(80)? | 75 | 89.31 | 90.30 | 89.60 | 89.70 | 88.70 | 90.10 | 88.55 | 88.90 | 169.00 | 268.00 | 51.00 | 166.00 | 150.00 | 249.00 | 362.50 | 84.00 | 45.00 | M10 | ||
| 4"(100)? | 97 | 114.76 | 110.40 | 114.70 | 115.00 | 114.10 | 110.10 | 113.60 | 113.80 | 211.00 | 318.00 | 61.00 | 196.00 | 172.00 | 249.00 | 423.00 | 121.00 | 49.00 | M12 | ||
?

